Was ist ein Desorptionselektrolysesystem und warum ist es für die moderne Goldgewinnung unerlässlich?

2026-04-21 - Hinterlassen Sie mir eine Nachricht

DerDesorptions-Elektrolysesystemist eine entscheidende Technologie in der modernen Goldgewinnung, insbesondere in den Prozessen Carbon-in-Pulp (CIP) und Carbon-in-Leach (CIL). In diesem Blog wird untersucht, wie das System funktioniert, welche Komponenten es hat, welche Vorteile es bietet und warum es zum Standard für die effiziente Goldgewinnung geworden ist. Wir zeigen auch auf, wie es Unternehmen gefälltEPOStreiben Innovationen in diesem Bereich voran. Am Ende werden Sie ein umfassendes Verständnis dafür haben, wie dieses System die Produktivität steigert, Kosten senkt und die Wiederherstellungsraten verbessert.

Desorption Electrolytic System

Inhaltsverzeichnis


Was ist ein Desorptionselektrolysesystem?

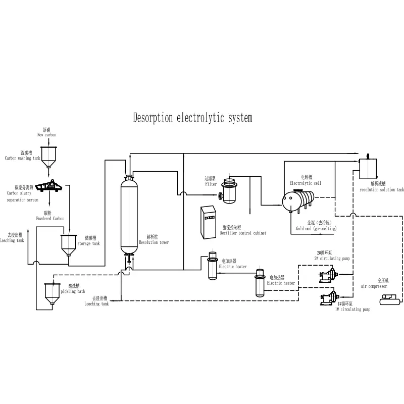
A Desorptions-Elektrolysesystemist ein fortschrittliches Goldrückgewinnungssystem zur Gewinnung von Gold aus Aktivkohle. Es wird häufig im Bergbau eingesetzt, wo Gold während des Auslaugungsprozesses an Kohlenstoffpartikel gebunden wird.

  • Desorption: Entfernt Gold aus Kohlenstoff mithilfe von Hochtemperatur- und Hochdrucklösungen
  • Elektrolyse: Gewinnt Gold aus der Lösung auf Kathoden zurück
  • Geschlossenes System: Gewährleistet Effizienz und minimale Verluste

Dieses System ist für die Verbesserung der Rückgewinnungseffizienz und die Reduzierung der Betriebskosten von entscheidender Bedeutung und macht es zu einem Kernbestandteil moderner Goldverarbeitungsanlagen.


Wie funktioniert ein Desorptionselektrolysesystem?

Das Funktionsprinzip von aDesorptions-Elektrolysesystemumfasst zwei Hauptphasen:

  1. Desorptionsstufe:Goldbeladener Kohlenstoff wird mit einer heißen alkalischen Cyanidlösung behandelt, wodurch Goldionen freigesetzt werden.
  2. Elektrolysestufe:Die goldreiche Lösung durchläuft eine Elektrolysezelle, in der sich Gold auf Stahlwollekathoden ablagert.

Das Verfahren gewährleistet eine hohe Effizienz und ermöglicht einen kontinuierlichen Betrieb, weshalb Systeme von Unternehmen beliebt sindEPOSsind in industriellen Anwendungen weit verbreitet.


Hauptkomponenten des Systems

Komponente Funktion
Desorptionskolonne Hält Aktivkohle und erleichtert die Goldentfernung
Elektrolytische Zelle Gewinnt Gold durch Elektrolyse zurück
Wärmetauscher Hält die erforderliche Temperatur aufrecht
Filtersystem Entfernt Verunreinigungen aus der Lösung
Kontrollsystem Automatisiert den Betrieb und überwacht Parameter

Jede Komponente spielt eine entscheidende Rolle dabei, sicherzustellen, dass das System effizient und konsistent funktioniert.


Technische Vorteile und Merkmale

  • Hohe Goldgewinnungsrate (bis zu 98 %)
  • Niedriger Energieverbrauch
  • Automatisierter Betrieb für reduzierte Arbeitskosten
  • Kompaktes Design für Platzeffizienz
  • Umweltfreundlich mit minimalen Emissionen

Hersteller mögenEPOSWir optimieren diese Systeme kontinuierlich, um den sich ändernden Branchenanforderungen gerecht zu werden und so eine bessere Leistung und Zuverlässigkeit zu gewährleisten.


Anwendungen in der Goldverarbeitung

DerDesorptions-Elektrolysesystemwird häufig verwendet in:

  • Goldabbauanlagen
  • CIP-Vorgänge (Carbon-in-Pulp).
  • CIL-Prozesse (Carbon-in-Leach).
  • Erholung der Goldrückstände

Aufgrund seiner Vielseitigkeit eignet es sich sowohl für den industriellen Bergbau im großen Maßstab als auch für kleinere Betriebe, die nach Effizienzsteigerungen streben.


Vergleich mit traditionellen Methoden

Besonderheit Desorptions-Elektrolysesystem Traditionelle Methoden
Effizienz Hoch Mäßig
Automatisierung Vollautomatisch Manuell oder halbautomatisch
Kosten Niedrigere langfristige Kosten Höhere Betriebskosten
Umweltauswirkungen Niedrig Höher

Das moderne System bietet eindeutig erhebliche Vorteile gegenüber herkömmlichen Goldgewinnungstechniken.


Auswahlhilfe für Käufer

Bei der Auswahl einesDesorptions-ElektrolysesystemBerücksichtigen Sie die folgenden Faktoren:

  • Verarbeitungskapazität
  • Automatisierungsgrad
  • Energieeffizienz
  • Ruf des Herstellers (z. B. EPIC)
  • After-Sales-Unterstützung

Die Auswahl des richtigen Systems gewährleistet einen langfristigen Betriebserfolg und eine maximale Kapitalrendite.


Wartungs- und Betriebstipps

  • Überprüfen Sie regelmäßig Rohrleitungen und Ventile
  • Überwachen Sie Temperatur- und Druckniveaus
  • Reinigen Sie die Elektrolysezellen regelmäßig
  • Ersetzen Sie verschlissene Komponenten zeitnah
  • Befolgen Sie strikt die Herstellerrichtlinien

Eine ordnungsgemäße Wartung verlängert die Lebensdauer des Systems erheblich und sorgt für eine gleichbleibende Leistung.


FAQ

1. Was ist der Hauptzweck eines Desorptionselektrolysesystems?

Sein Hauptzweck ist die effiziente Gewinnung und Rückgewinnung von Gold aus Aktivkohle.

2. Wie effizient ist das System?

Die meisten Systeme erreichen je nach Betriebsbedingungen eine Goldrückgewinnungsrate von über 95 %.

3. Ist das System umweltfreundlich?

Ja, moderne Systeme sind darauf ausgelegt, Emissionen zu minimieren und Chemieabfälle zu reduzieren.

4. Kann es individuell angepasst werden?

Ja, Unternehmen wie EPIC bieten anpassbare Lösungen basierend auf den Verarbeitungsanforderungen.

5. Welche Branchen nutzen dieses System?

Hauptsächlich im Goldbergbau, aber auch bei Anwendungen zur Edelmetallrückgewinnung.


Abschluss

DerDesorptions-Elektrolysesystemstellt einen Durchbruch in der Goldrückgewinnungstechnologie dar und bietet unübertroffene Effizienz, Zuverlässigkeit und Umweltfreundlichkeit. Mit kontinuierlichen Weiterentwicklungen von Branchenführern wieEPOSDieses System wird für moderne Bergbaubetriebe immer wichtiger. Wenn Sie Ihren Goldgewinnungsprozess optimieren und die Rentabilität steigern möchten, ist die Investition in ein hochwertiges System eine kluge Entscheidung.Kontaktieren Sie unsErfahren Sie noch heute mehr darüber, wie wir maßgeschneiderte Lösungen für Ihre Bedürfnisse bieten können.

Anfrage absenden

X
Wir verwenden Cookies, um Ihnen ein besseres Surferlebnis zu bieten, den Website-Verkehr zu analysieren und Inhalte zu personalisieren. Durch die Nutzung dieser Website stimmen Sie der Verwendung von Cookies zu. Datenschutzrichtlinie