Desorptionselektrolytesystem
  • Desorptionselektrolytesystem Desorptionselektrolytesystem

Desorptionselektrolytesystem

Als eines professionellen Herstellers möchte Epic Ihnen qualitativ hochwertige Desorptions -Elektrolytesystem bieten. Und wir bieten Ihnen den besten Nachverkaufsservice und die rechtzeitige Lieferung an.

Anfrage absenden

Produktbeschreibung

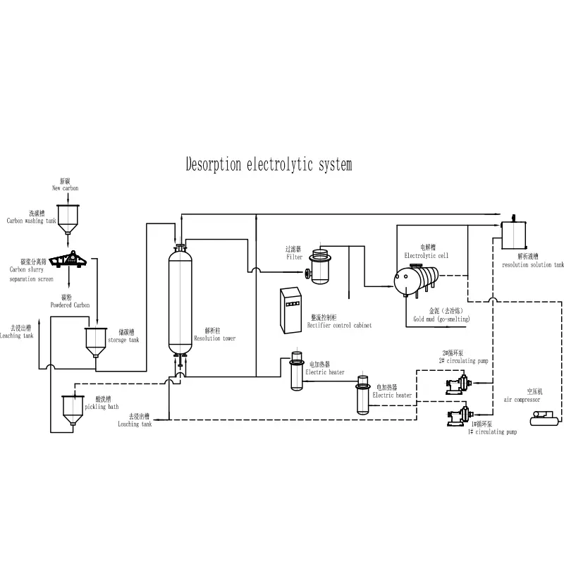
Als kompetente Hersteller ist epic, um Ihnen erstklassiges Desorption-Elektrolytsystem anzubieten. Wir versprechen, Ihnen die beste Nachverkaufsunterstützung und sofortige Lieferung zu bieten. Bei der addierlichen Hinzufügung von Aktivkohlenstoffadsorptionsdesorptionssystemen des Anion, somit der Austausch von AU (CN) 2 "realisiert die Desorption von Gold. Die durch Desorption von Goldladenkohlenstoff erhalten

1, hohe Temperatur, hoher Druck, kein Cyanid, automatische Desorptionskontrolle, mit hohem Elfzusammenzug, Bugverbrauch, schnell

Eigenschaften: 

Effizienz von A.Hige Effizienz: Wenn der goldgeladene Kohlenstoffgehalt 3000 g/t erreicht, kann die Desorptionsrate mehr als 96%erreichen und der schlechte Kohlenstoffgehalt um 3-4-mal im Vergleich zu den konventionellen Desorptionselektrolytik

Gerät:

B. fast: Die Desorptionselektrolysetemperatur kann bis zu 150 ℃ (30-55 ℃ höher als bei anderen Modellen) der Arbeitsdruck von bis zu 0,5 MPa (0,2-0,5 MPa höher als andere Modelle), so 

3-mal: C.Lau-Verbrauch: Die Desorptionselektrolytemperatur ist aufgrund der schnellen Arbeit keine Wärmeübertragung, sodass der Gesamtstromverbrauch 1/2-1/4 des herkömmlichen Systems beträgt.

2. Kein Cyanid: Die Desorptionslösung muss kein Natriumcyanid, niedrige Kosten, keine Verschmutzung hinzufügen:

3, hochgradiger Goldschlamm, keine Notwendigkeit, die Elektrolyse umzukehren, einfache Extraktion;

4, Automatische Steuerung: Setzen Sie insbesondere das Steuerungssystem des Flüssigkeitsstandes, das Temperatursteuerungssystem und das automatische Steuerungssystem ein;

5, Sicherheit: Mit dreifachen Sicherheitsschutzmaßnahmen, nämlich das System selbst intelligenter, autoratischer Druckbegrenzungsmechanismus, Versicherungsschutzventil.

Hot-Tags: Desorptionselektrolytesystem
Anfrage absenden
Bitte zögern Sie nicht, Ihre Anfrage im untenstehenden Formular zu stellen. Wir werden Ihnen innerhalb von 24 Stunden antworten.
X
Wir verwenden Cookies, um Ihnen ein besseres Surferlebnis zu bieten, den Website-Verkehr zu analysieren und Inhalte zu personalisieren. Durch die Nutzung dieser Website stimmen Sie der Verwendung von Cookies zu. Datenschutzrichtlinie