Wie verbessern Cyaniding-Geräte die Goldgewinnung und die Standortsicherheit?

2026-01-08 - Hinterlassen Sie mir eine Nachricht

Wenn Sie jemals das Gefühl hatten, dass Zyanidierung „effektiv, aber stressig“ ist, dann bilden Sie sich das nicht ein. Die Chemie funktioniert – doch die alltägliche Realität kann chaotisch sein: schwankendes Erz, zu hohe Reagenzienausgaben, Kohlenstoffverluste, unerwartete Ausfallzeiten und der ständige Druck, sicher und konsistent zu arbeiten. In diesem Artikel wird erläutert, wasCyaniding-Ausrüstungwas Sie eigentlich tun sollten, was Sie vor dem Kauf fragen sollten und wie Sie die teuersten Fehler vermeiden.


Abstrakt

ModernCyaniding-Ausrüstungist nicht nur eine Reihe von Tanks – es ist ein vernetztes System, das darauf ausgelegt ist, die Laugungsbedingungen zu kontrollieren, die Rückgewinnung zu stabilisieren, Reagenzienverschwendung zu reduzieren und den Umgang mit Cyanid vorhersehbar zu halten. Käufer kämpfen typischerweise mit vier Problempunkten: inkonsistente Wiederherstellung, hohe Betriebskosten, schwache Sicherheitskontrollen und Wartungsprobleme. Nachfolgend erhalten Sie einen praktischen Überblick über die Cyanidierungsmodule (Laugen, Adsorption, Desorption/Elektrogewinnung, Entgiftung und Instrumentierung), eine Auswahlmatrix, Inbetriebnahmetipps und einen FAQ-Bereich, den Sie bei Lieferantengesprächen nutzen können.


Inhaltsverzeichnis


Übersicht auf einen Blick

  • Übersetzen Sie „Ich brauche Zyanidierung“ in einen vollständigen, kontrollierbaren Geräteumfang.
  • Identifizieren Sie, welches Modul Ihre Verluste verursacht (Rückgewinnung, Reagenz, Kohlenstoff oder Ausfallzeit).
  • Verwenden Sie eine einfache Matrix, um Lösungen für Ihren Erztyp und Ihre Einschränkungen zu vergleichen.
  • Gehen Sie mit einer Checkliste in Lieferantenbesprechungen, die schwache Konstruktionen schnell aufdeckt.

Die wahren Schmerzpunkte des Käufers

Wenn Leute einkaufenCyaniding-Ausrüstung, sagen sie oft: „Ich brauche eine bessere Genesung.“ Was sie normalerweise meinen: „Ich brauche eine Ausbeute, die hoch bleibt, selbst wenn das Erz wechselt, die Bediener wechseln und der Standort abgelegen ist.“ Hier sind die Schmerzpunkte, die immer wieder auftauchen:

  • Erholungsschwankungenverursacht durch Erzschwankungen, Mahlprobleme, Sauerstoffbeschränkungen oder schlechte pH-Wert-Kontrolle.
  • Steigende Kosten für Reagenzienvor einer Überdosierung von Zyanid oder Kalk, „nur um sicher zu gehen“.
  • Kohlenstoffproblemewie Verschmutzung, Abriebverlust oder schlechte Adsorptionskinetik.
  • Ausfallzeitdurch Pumpen-/Ventilausfälle, abrasiven Schlammverschleiß oder schwer zugängliche Anordnungen.
  • Sicherheitsstressrund um die Lagerung, Dosierung und Notfallbereitschaft von Zyanid.

Ein gutes Gerätedesign beseitigt nicht die gesamte Komplexität, aber es sollte das Rätselraten beseitigen.


Was „Cyanid-Ausrüstung“ beinhaltet

Cyaniding Equipment

ZumindestCyaniding-Ausrüstungsollte als ein System verstanden werden, das diese Funktionen unterstützt:

  • Auslaugen: Bietet Zeit-, Misch- und Chemiekontrolle für die Auflösung.
  • Goldfang: Adsorption an Aktivkohle (CIP/CIL) oder Fällungswege.
  • Gold-Erholung: Desorption und Elektrogewinnung (oder alternative Rückgewinnungskreisläufe).
  • Detox- und Tailings-Handling: Restcyanid auf akzeptable Werte reduzieren.
  • Instrumentierung und Steuerung: Messung und Stabilisierung von pH-Wert, gelöstem Sauerstoff, Durchfluss und Dosierung.

Wenn ein Lieferant nur von „Tanks“ spricht, drängen Sie ihn, den gesamten Fluss und die Kontrollpunkte zu definieren. Unter Laborbedingungen verzeiht die Zyanidierung; Bei chaotischen Feldbedingungen verzeiht es nichts.


Eine klare Prozesskarte von Ore bis Doré

Obwohl jede Pflanze anders ist, folgen die meisten Zyanidierungswege einem erkennbaren Grundgerüst. Verwenden Sie diese Karte, um zu überprüfen, ob ein vorgeschlagenes Paket vollständig ist:

Bühne Was es erreichen muss Typisches „verstecktes“ Risiko
Vorbehandlung (nach Bedarf) Machen Sie Gold zugänglich und verhindern Sie Spitzen beim Zyanidverbrauch Ignorieren von Preg-Raub, hohem Kupfergehalt oder reaktiven Sulfiden
Auslaugen Stabile Mischung, kontrollierter pH-Wert und ausreichend Sauerstoff Tote Zonen, schlechte Sauerstoffübertragung, unregelmäßiger pH-Wert durch schwaches Kalksystem
Adsorption (CIL/CIP) Erfassen Sie gelöstes Gold effizient Falsche Kohlenstoffgröße/Übertragungsmethode; Kohlenstoffverluste
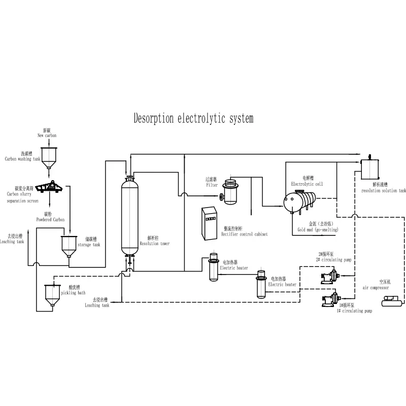
Elution/Desorption Entfernen Sie Gold zuverlässig von Kohlenstoff Ungleichmäßige Erwärmung/Strömung führt zu einer geringen Strippeffizienz
Elektrogewinnung / Schmelzen Gewinnen und produzieren Sie Doré Unterdimensionierte Zellen, schlechtes Elektrolytmanagement, Probleme bei der Schlammbehandlung
Entgiftung Reduzieren Sie das restliche Cyanid vor der Entladung/Rückständen Das Design ist nicht auf die Durchsatzvariabilität oder die Chemie der Rückstände abgestimmt

Schlüsselmodule und was zu überprüfen ist

1) Auslaugungstanks und Rührwerk

  • Ist das Mischdesign für die Dichte und Abrasivität Ihrer Aufschlämmung geeignet?
  • Kann das System den pH-Wert bei Erzschwankungen stabil halten?
  • Ist die Sauerstoffzugabe an Ihrem Standort sinnvoll (und wird die Sauerstoffübertragung bei der Planung berücksichtigt)?
  • Ermöglicht die Anordnung eine einfache Inspektion von Laufrädern, Laufbuchsen und Lagern?

2) Kohlenstoffadsorption und -übertragung

  • Sind Zwischensiebe robust genug, um eine Kohlenstoffverschleppung zu verhindern?
  • Ist die Kohlenstoffübertragung so konzipiert, dass Brüche und Verluste reduziert werden?
  • Ist das Design reinigungs- und kohlenstoffinventarfreundlich?

3) Desorption und Elektrogewinnung

  • Entspricht der Elutionskreislauf Ihren Erwartungen an die Kohlenstoffbelastung?
  • Sind Heizungs- und Durchflussregelungen stabil (nicht „betreiberabhängig“)?
  • Ist die Schlammbehandlung geplant und nicht improvisiert?

4) Zyaniddosierung und -messung

  • Erfolgt die Dosierung automatisiert mit Verriegelungen oder rein manuell?
  • Wie sieht der Plan für die Kalibrierung und Sensorwartung in einer realen Minenumgebung aus?
  • Sind Probenahmestellen sicher und gut positioniert, oder ist das nur eine nachträgliche Überlegung?

5) Entgiftung

  • Basiert das Entgiftungsdesign auf Ihren Einleitungszielen und der Chemie der Rückstände?
  • Kann es kurzfristige Spitzen bewältigen, ohne eine Abschaltung zu erzwingen?

Praktischer Hinweis:Ein Vorschlag, der auf dem Papier günstiger erscheint, führt häufig zu höheren Betriebskosten – zusätzliches Zyanid, zusätzlicher Kalk, zusätzlicher Wartungsaufwand und ein „heldenhafteres“ Verhalten des Bedieners. Die Rechnung kommt später.


Dimensionierungs- und Spezifikationsgrundlagen

Sie müssen kein Metallurge sein, um Fragen zur Dimensionierung zu stellen, die Ihr Budget schonen. FürCyaniding-AusrüstungDie Kerndimensionierungslogik dreht sich um Durchsatz, Verweilzeit und Stofftransfer. Stellen Sie vor der Annahme eines endgültigen Entwurfs sicher, dass diese Eingaben ausdrücklich angegeben werden:

  • Designdurchsatz(Durchschnitt und Spitze, plus erwartete saisonale Variabilität).
  • Zielmahlgradund was passiert, wenn die Mühle gröber driftet.
  • Verweilzeit der Laugeund ob es auf Tests oder Annahmen basiert.
  • pH- und Alkalitätsplan(inkl. Kalkaufbereitung und Dosierstabilität).
  • Sauerstoffstrategie(Luft, Sauerstoff oder keiner) und die erwarteten Auswirkungen auf die Kinetik.
  • Kohlenstoffinventar(wie viel Kohlenstoff, wo er sich befindet und wie er überwacht wird).

Wenn ein Lieferant diese nicht in einfacher Sprache erklären kann, betrachten Sie dies als Risikosignal und nicht als Formsache.


Sicherheit und Zyanidkontrolle, die tatsächlich Bestand haben

Sicherheit ist kein Plakat an der Wand. Bei der Zyanidierung ist sie in das physische Design und die Routinekontrolle integriert. StarkCyaniding-AusrüstungPakete beinhalten typischerweise:

  • Geschlossene Lagerung und Übertragungmit klaren Überlaufwegen und Bündelungslogik.
  • Verriegelte DosierungDaher kann kein Zyanid hinzugefügt werden, wenn wichtige Bedingungen nicht erfüllt sind.
  • Klares Sampling-DesignDadurch wird das Expositionsrisiko bei Routinekontrollen verringert.
  • Notfallbereitschaftals Teil der Betriebsanweisung, nicht als Zusatzdokument.

Aus Käufersicht ist Ihre Aufgabe einfach: Erzwingen Sie, dass das Angebot genau zeigt, wie Menschen mit dem System interagieren. Wo stehen sie? Was berühren sie? Wie isolieren sie Geräte? Wie reagieren sie auf einen Ausfall der Pumpendichtung um 2 Uhr morgens?


Woher die Betriebskosten wirklich kommen

Wenn Ihre Kosten pro Unze steigen, handelt es sich in der Regel nicht um einen einzelnen dramatischen Fehler, sondern um kleine Lecks im System, die das Ganze verschlimmern. Bei der Zyanidierung sind die häufigsten Kostentreiber:

  • Zyanidverbrauchverursacht durch reaktive Mineralien, Überdosierungsgewohnheiten oder schlechte Regelkreise.
  • Limettenverbrauchwenn die pH-Kontrolle instabil ist oder die Chemie der Aufschlämmung nicht gut verstanden ist.
  • Kohlenstoffverlustdurch Abnutzung, Bildschirmprobleme oder schlechtes Übertragungsdesign.
  • Strom und Wartungdurch übermäßige Bewegung, unzureichend ausgelegte Verschleißteile und schwer zu wartende Anordnungen.
Symptom Wahrscheinliche Grundursache Ausstattungsmerkmal, das hilft
Die Erholung sinkt, wenn sich das Erz ändert pH/DO-Instabilität; schlechtes Mischen; unzureichende Verweilzeit Robustes Rührwerk, bessere Kontrollinstrumentierung, flexible Tankkapazität
Die Ausgaben für Zyanid steigen weiter Überdosierung; Mineralien mit hohem Cyanidverbrauch; schlechte Messung Kontrollierte Dosierung, zuverlässige Probenahmestellen, intelligentere Verriegelungen
Der Kohlenstoffbestand schrumpft „auf mysteriöse Weise“. Bildschirmausfälle; Transferverluste; Attrition Langlebige Zwischensiebe, sanftes Transferdesign, klare CO2-Bilanzierung
Häufige Abschaltungen Verschleißteile, Pumpendichtung, Zugangsprobleme Verschleißfeste Materialien, Wartungszugang, standardisierte Ersatzteile

Zuverlässigkeits- und Wartungsdesign

Cyaniding Equipment

Ein Cyanidierungskreislauf kann „vollständig“ aussehen und dennoch unzuverlässig sein, wenn die Wartung nicht vorgesehen ist. Fragen Sie nach, wie der Lieferant vorgeht:

  • Materialauswahlfür abrasive Schlammzonen und Zyanid-Kontaktzonen.
  • Zugangzu Sieben, Laufrädern, Auskleidungen, Pumpen und Instrumenten.
  • Ersatzteilstrategiedas zu Ihrer Standortrealität passt (Vorlaufzeiten, Logistik, Lagerhaltung).
  • Standardisierungum die Anzahl einzigartiger Verschleißteile zu reduzieren.

Bei Remote-Operationen kann „einfache Wartung“ mehr wert sein als „auf dem Papier etwas effizienter“.


Lieferantenfragen, die Sie stellen sollten

Nutzen Sie diese Checkliste in Besprechungen. Es ist darauf ausgelegt, schwache Vorschläge schnell ans Licht zu bringen – ohne das Gespräch in eine Debatte zu verwandeln.

  • Welche Erzrisiken werden weggenommen und welche werden aktiv gesteuert?
  • Was sind die Designeingaben für Verweilzeit, pH-Bereich und Sauerstoffstrategie?
  • Wie wird die Zyaniddosierung gesteuert und was passiert bei einem Sensorausfall?
  • Wie wird Kohlenstoffverlust im Routinebetrieb verhindert und gemessen?
  • Wie sieht der Wartungszugangsplan für Siebe, Rührwerke und Pumpen aus?
  • Was sind die empfohlenen Bedienerkontrollen pro Schicht und wie werden sie sicher gemacht?
  • Welche Inbetriebnahmeunterstützung ist enthalten und welche Bedienerschulung wird angeboten?

Wenn Sie Anbieter bewerten, kann es hilfreich sein, mit einem Hersteller zu sprechen, der ein vollständiges Cyanidierungspaket liefern und Sie bei den Integrationsdetails unterstützen kann. Zum Beispiel, Qingdao EPIC Mining Machinery Co., Ltd.bietet Lösungen für Bergbauverarbeitungsgeräte, bei denen Zyanidierungspakete als Systeme – Auslaugung, Adsorption, Rückgewinnung und Kontrolle – und nicht als getrennte Tanksätze betrachtet werden.


FAQ

Was macht Cyaniding-Ausrüstung „modern“ und nicht einfach?

Moderne Designs konzentrieren sich auf Kontrollierbarkeit und Wiederholbarkeit: stabile Dosierung, zuverlässige Messung, sicherere Probenahme, robuster Verschleißschutz und Layouts, die die Improvisation des Bedieners reduzieren. Das Ziel ist eine konsistente Rückgewinnung mit weniger Reagenzienverschwendung und weniger Stillständen.

Können Cyaniding-Geräte minderwertiges Erz wirtschaftlich verarbeiten?

Das ist möglich, aber nur, wenn die Schaltung auf Ihr Kinetik- und Verbrauchsprofil abgestimmt ist. Betriebe mit geringer Qualität reagieren tendenziell empfindlich auf übermäßige Reagenzienausgaben und Ausfallzeiten, weshalb Kontrollsysteme, Verschleißdesign und Kohlenstoffmanagement besonders wichtig sind.

Woher weiß ich, ob ich CIP oder CIL benötige?

Die Wahl hängt normalerweise von der Laugungskinetik ab und davon, wie schnell gelöstes Gold eingefangen werden soll. Wenn sich Gold schnell auflöst und Sie eine sofortige Gewinnung wünschen, kann CIL attraktiv sein. Wenn die Auslaugung von der Trennung vor der Adsorption profitiert, ist CIP möglicherweise besser geeignet. Metallurgische Tests und praktische Standortbeschränkungen sollten die Entscheidung beeinflussen.

Warum steigt der Zyanidverbrauch manchmal plötzlich an?

Zu den häufigsten Ursachen zählen Veränderungen der Erzmineralien, eine schlechte pH-Wert-Kontrolle, eine unerwartete Sauerstoffbegrenzung oder eine Verunreinigung des Prozesswassers. Ein guter Kontrollplan und zuverlässige Probenahmepunkte erleichtern die Diagnose und schnelle Korrektur dieser Spitzen.

Was sollte ich priorisieren, wenn mein Standort abgelegen ist und es an Personal mangelt?

Priorisieren Sie Wartbarkeit und Automatisierung, die die manuelle Handhabung reduzieren: langlebige Siebe, zugängliche Geräteanordnung, standardisierte Ersatzteile, verriegelte Dosierung und klare Betriebsabläufe, die nicht auf „einen erfahrenen Bediener“ angewiesen sind.


Zusammenfassung

KaufCyaniding-AusrüstungEs geht letztlich darum, die Unsicherheit zu reduzieren. Die Chemie mag bewiesen sein, aber Ihre Rentabilität hängt von konsequenter Kontrolle, praktischer Wartung und Sicherheit ab, die in echten Schichten mit echten Menschen funktioniert. Wenn Sie eine neue Anlage planen oder einen bestehenden Kreislauf modernisieren, bringen Sie Ihre Erzrealität, Durchsatzziele und Standortbeschränkungen mit ein – und bestehen Sie auf einem Vorschlag, der die Zyanidierung als vollständiges, kontrollierbares System behandelt.

Sind Sie bereit, Ihren Zyanidierungsplan in einen zuverlässigen, kostenstabilen Betrieb umzuwandeln?Teilen Sie Ihren Erztyp, Ihre Zielkapazität und Standortbedingungen mitKontaktieren Sie unsum eine praktische Gerätekonfiguration zu besprechen, die zu Ihrer Anlage und Ihren Bedienern passt.

Anfrage absenden

X
Wir verwenden Cookies, um Ihnen ein besseres Surferlebnis zu bieten, den Website-Verkehr zu analysieren und Inhalte zu personalisieren. Durch die Nutzung dieser Website stimmen Sie der Verwendung von Cookies zu. Datenschutzrichtlinie